Главная
Каталог
Релейная защита и автоматика
Евроавтоматика F&F
Устройства управления освещением
Автоматы лестничные
Автомат лестничный ASO-202 | Евроавтоматика F&F
Автомат лестничный ASO-202 | Евроавтоматика F&F
Автомат лестничный ASO-202 | Евроавтоматика F&F
Скачать datasheet
Скачать datasheet
Артикул:
Производитель:
F&F
Описание:
Автомат лестничный ASO-202 | Евроавтоматика F&F
Характеристики
Артикул
EA01.002.004
Время задержки включения, c
1
Время задержки отключения, с
0,5...10
Габариты (ШхВхГ), мм
50х67х26
Диапазон рабочих температур, 0С
-25...+50
Категория
Автомат лестничный
Категория перенапряжения
III
Код ETIM
EC001439
Коммутационная износостойкость, циклов
>105
Контакт
1NO (нормально открытый)
Максимальная мощность нагрузки
см. табл.1
Максимальный коммутируемый ток, А (AC-1)
16
Максимальный ток катушки контактора, А
3
Масса, кг
0.1
Момент затяжки винтового соединения, Hм
0.4
Монтаж
на плоскость
Напряжение питания, В
230 АС
Подключение
винтовые зажимы 2,5 мм2
Потребляемая мощность, Вт
0.6
Производитель
Евроавтоматика F&F
Степень загрязнения среды
2
Степень защиты
IP20
Тип корпуса
A8
Описание
Автомат лестничный ASO-202
Отличительные особенности:
Функция антиблокировки. Максимальный ток нагрузки 16 А. Монтаж на плоскость.
Назначение
Предназначен для отключения освещения или иной нагрузки через заданный промежуток времени после его включения.
Особенности
- функция антиблокировки;
- максимальный ток нагрузки 16 А;
- монтаж на плоскость.
Область применения
Применяется для управления освещением лестничных площадок, коридоров, прихожих, тамбуров, хозяйственных и служебных помещений, подвалов и т. п.
Принцип работы
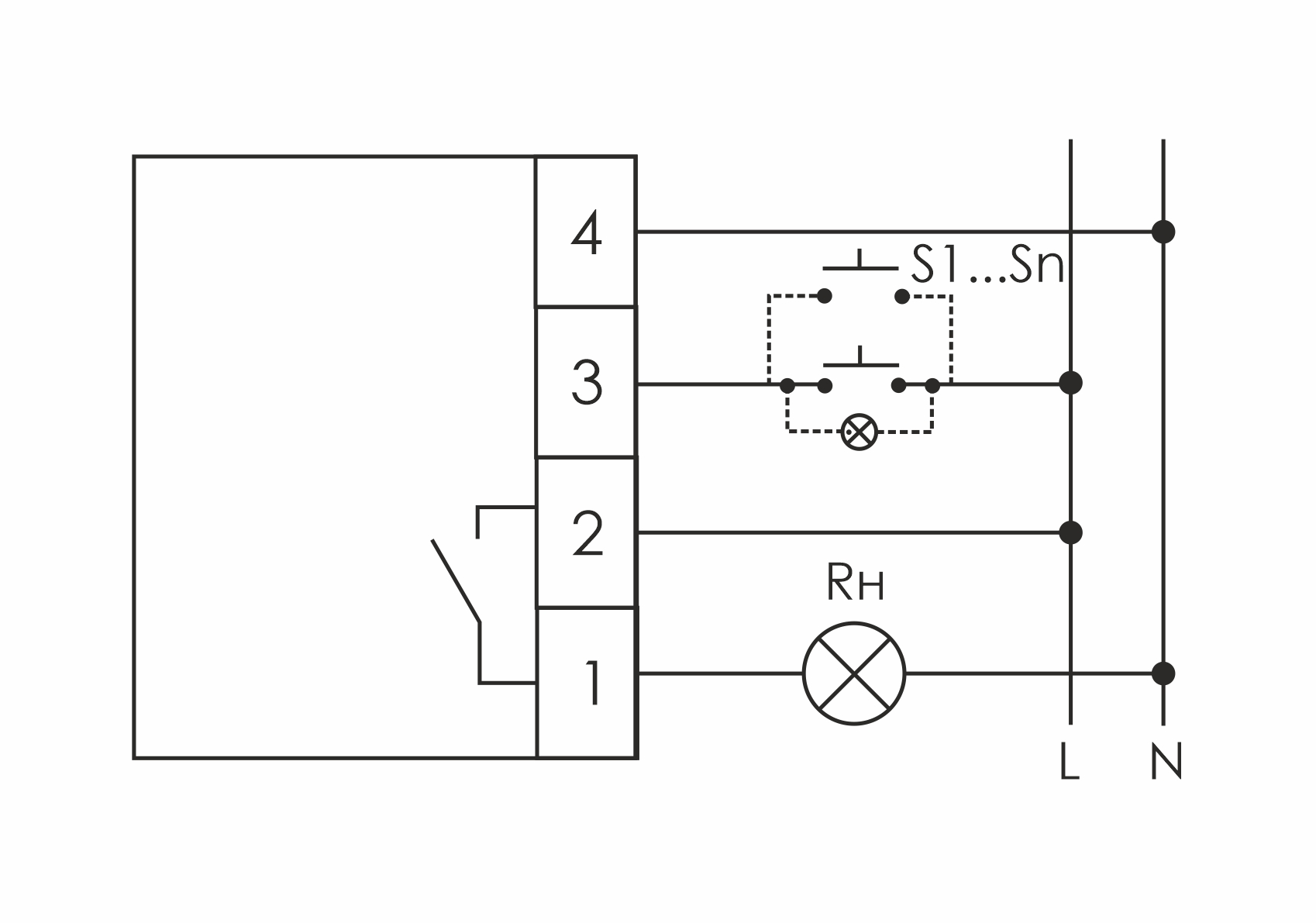
Включение нагрузки осуществляется подачей электрического импульса на вход управления автомата замыканием любого из выключателей кнопочного типа, параллельно соединенных между собой. Выключение нагрузки происходит автоматически по окончании времени t, установленного регулятором на корпусе реле в интервале от 0,5 до 10 минут. Подача очередного импульса во время отсчета времени увеличат задержку отключения на время t. В автомате присутствует функция антиблокировки. Нагрузка отключается даже при блокировке кнопочного выключателя во включённом состоянии (например, механически). При этом повторное включение освещения невозможно до снятия блокировки выключателя.
Характеристики
Артикул
EA01.002.004
Время задержки включения, c
1
Время задержки отключения, с
0,5...10
Габариты (ШхВхГ), мм
50х67х26
Диапазон рабочих температур, 0С
-25...+50
Категория
Автомат лестничный
Категория перенапряжения
III
Код ETIM
EC001439
Коммутационная износостойкость, циклов
>105
Контакт
1NO (нормально открытый)
Максимальная мощность нагрузки
см. табл.1
Максимальный коммутируемый ток, А (AC-1)
16
Максимальный ток катушки контактора, А
3
Масса, кг
0.1
Момент затяжки винтового соединения, Hм
0.4
Монтаж
на плоскость
Напряжение питания, В
230 АС
Подключение
винтовые зажимы 2,5 мм2
Потребляемая мощность, Вт
0.6
Производитель
Евроавтоматика F&F
Степень загрязнения среды
2
Степень защиты
IP20
Тип корпуса
A8
Описание
Автомат лестничный ASO-202
Отличительные особенности:
Функция антиблокировки. Максимальный ток нагрузки 16 А. Монтаж на плоскость.
Назначение
Предназначен для отключения освещения или иной нагрузки через заданный промежуток времени после его включения.
Особенности
- функция антиблокировки;
- максимальный ток нагрузки 16 А;
- монтаж на плоскость.
Область применения
Применяется для управления освещением лестничных площадок, коридоров, прихожих, тамбуров, хозяйственных и служебных помещений, подвалов и т. п.
Принцип работы
Включение нагрузки осуществляется подачей электрического импульса на вход управления автомата замыканием любого из выключателей кнопочного типа, параллельно соединенных между собой. Выключение нагрузки происходит автоматически по окончании времени t, установленного регулятором на корпусе реле в интервале от 0,5 до 10 минут. Подача очередного импульса во время отсчета времени увеличат задержку отключения на время t. В автомате присутствует функция антиблокировки. Нагрузка отключается даже при блокировке кнопочного выключателя во включённом состоянии (например, механически). При этом повторное включение освещения невозможно до снятия блокировки выключателя.



.jpg)
