Главная
Каталог
Релейная защита и автоматика
Евроавтоматика F&F
Устройства управления освещением
Автоматы лестничные
Автомат лестничный ASO-205 | Евроавтоматика F&F
Автомат лестничный ASO-205 | Евроавтоматика F&F
Автомат лестничный ASO-205 | Евроавтоматика F&F
Скачать datasheet
Скачать datasheet
Артикул:
Производитель:
F&F
Описание:
Автомат лестничный ASO-205 | Евроавтоматика F&F
Характеристики
Артикул
EA01.002.003
Время задержки включения, c
1
Время задержки отключения, с
0,5...10
Габариты (ШхВхГ), мм
48х43х20
Диапазон рабочих температур, 0С
-25...+50
Категория
Автомат лестничный
Категория перенапряжения
III
Код ETIM
EC001439
Коммутационная износостойкость, циклов
>100000
Контакт
1NO
Максимальная мощность нагрузки
см. табл.1 РЭ
Максимальный коммутируемый ток, А (AC-1)
8
Максимальный ток катушки контактора, А
2
Масса, кг
0.045
Момент затяжки винтового соединения, Hм
0.4
Монтаж
в монтажную коробку
Напряжение питания, В
230 АС
Подключение
винтовые зажимы 2,5 мм2
Потребляемая мощность, Вт
Вт 0,7
Производитель
Евроавтоматика F&F
Степень загрязнения среды
2
Степень защиты
IP20
Тип корпуса
PDTN
Описание
Автомат лестничный ASO-205
Отличительные особенности:
Максимальный ток нагрузки 8 А. В монтажную коробку.
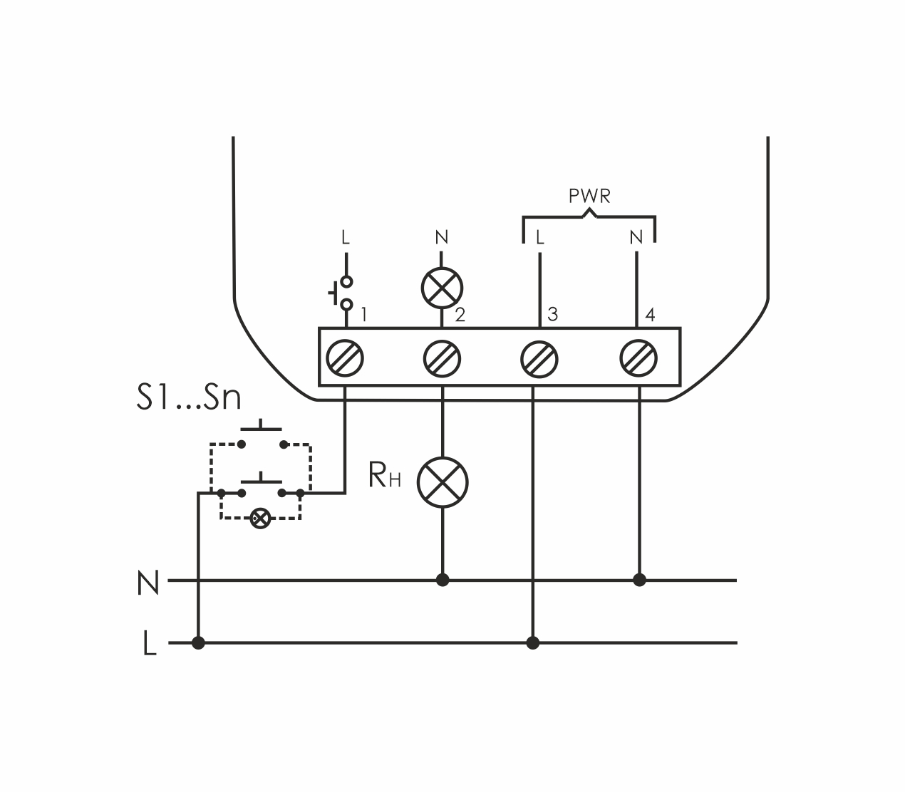
Назначение
Предназначен для отключения освещения или иной нагрузки через заданный промежуток времени после его включения.
Особенности
- таймер времени с настраиваемой задержкой выключения в интервале от 1 до 15 минут;
- возможно подключение выключателей кнопочного типа с подсветкой.
Область применения
Применяется для управления освещением лестничных площадок, коридоров, прихожих, тамбуров, хозяйственных и служебных помещений, подвалов и т. п.
Принцип работы
Включение нагрузки осуществляется подачей электрического импульса на вход управления автомата замыканием любого из выключателей кнопочного типа, параллельно соединенных между собой. Выключение нагрузки происходит автоматически по окончании времени t, установленного регулятором на корпусе автомата в интервале от 0,5 до 10 минут. Подача очередного импульса во время отсчета времени увеличат задержку отключения на время t.
Характеристики
Артикул
EA01.002.003
Время задержки включения, c
1
Время задержки отключения, с
0,5...10
Габариты (ШхВхГ), мм
48х43х20
Диапазон рабочих температур, 0С
-25...+50
Категория
Автомат лестничный
Категория перенапряжения
III
Код ETIM
EC001439
Коммутационная износостойкость, циклов
>100000
Контакт
1NO
Максимальная мощность нагрузки
см. табл.1 РЭ
Максимальный коммутируемый ток, А (AC-1)
8
Максимальный ток катушки контактора, А
2
Масса, кг
0.045
Момент затяжки винтового соединения, Hм
0.4
Монтаж
в монтажную коробку
Напряжение питания, В
230 АС
Подключение
винтовые зажимы 2,5 мм2
Потребляемая мощность, Вт
Вт 0,7
Производитель
Евроавтоматика F&F
Степень загрязнения среды
2
Степень защиты
IP20
Тип корпуса
PDTN
Описание
Автомат лестничный ASO-205
Отличительные особенности:
Максимальный ток нагрузки 8 А. В монтажную коробку.
Назначение
Предназначен для отключения освещения или иной нагрузки через заданный промежуток времени после его включения.
Особенности
- таймер времени с настраиваемой задержкой выключения в интервале от 1 до 15 минут;
- возможно подключение выключателей кнопочного типа с подсветкой.
Область применения
Применяется для управления освещением лестничных площадок, коридоров, прихожих, тамбуров, хозяйственных и служебных помещений, подвалов и т. п.
Принцип работы
Включение нагрузки осуществляется подачей электрического импульса на вход управления автомата замыканием любого из выключателей кнопочного типа, параллельно соединенных между собой. Выключение нагрузки происходит автоматически по окончании времени t, установленного регулятором на корпусе автомата в интервале от 0,5 до 10 минут. Подача очередного импульса во время отсчета времени увеличат задержку отключения на время t.





